
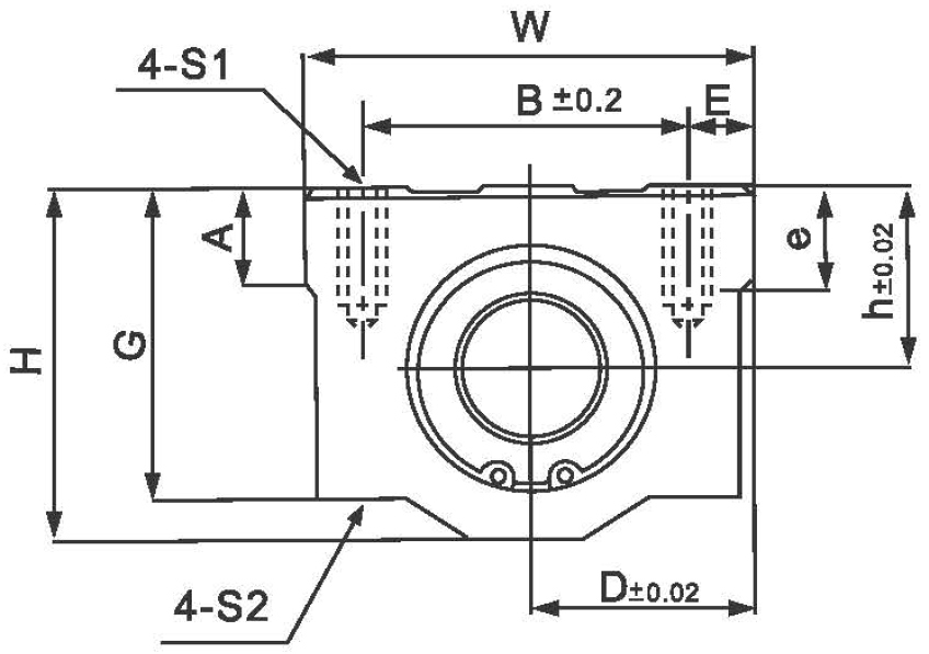
| Part Number | Main dimensions and Mounting dimensions | Basic Load Rating | Weight | ||||||||||||
| h | D | W | H | G | A | B | E | S1xe | S2 | C | L | Dynamc Co N | Static Co N | ||
| SCE8VUU | 11 | 17 | 34 | 22 | 18 | 6 | 24 | 5 | M4x8 | 3.4 | 7.2 | 14.4 | 274 | 392 | 25 |
| SCE12VUU | 15 | 22 | 44 | 30 | 24.5 | 8 | 33 | 5.5 | M5x12 | 4.3 | 10.4 | 20.8 | 510 | 784 | 65 |
| SCE16VUU | 19 | 25 | 50 | 38.5 | 32.5 | 9 | 36 | 7 | M6x12 | 4.3 | 11.2 | 22.4 | 774 | 1180 | 100 |
| SCE20VUU | 21 | 27 | 54 | 41 | 35 | 11 | 40 | 7 | M6x12 | 5.2 | 14.5 | 29 | 882 | 1370 | 148 |
| SCE25VUU | 26 | 38 | 76 | 51.5 | 42 | 12 | 54 | 11 | M8x18 | 7 | 20.45 | 40.9 | 980 | 1570 | 368 |
| SCE30VUU | 30 | 39 | 78 | 59.5 | 49 | 15 | 58 | 10 | M8x18 | 7 | 24.45 | 48.9 | 1574 | 2740 | 500 |
| SCE40VUU | 40 | 51 | 102 | 78 | 62 | 20 | 80 | 11 | M10x25 | 8.7 | 28.2 | 56.4 | 2160 | 4020 | 1000 |
| SCE50VUU | 52 | 61 | 122 | 102 | 80 | 25 | 100 | 11 | M10x25 | 8.7 | 36.2 | 72.4 | 3820 | 7940 | 2205 |
