
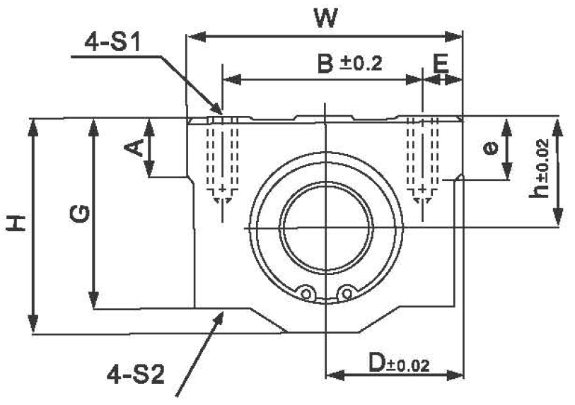
| Part Number | Main dimensions and Mounting dimensions | Basic Load Rating | Weight | ||||||||||||
| h | D | W | H | G | A | B | E | S1xe | S2 | C | L | Dynamic Co N | Static Co N | ||
| SC8UU | 11 | 17 | 34 | 22 | 18 | 6 | 24 | 5 | M4x8 | 3.4 | 18 | 30 | 274 | 392 | 52 |
| SC10UU | 13 | 20 | 40 | 26 | 21 | 8 | 28 | 6 | M5x12 | 4.3 | 21 | 35 | 372 | 549 | 92 |
| SC12UU | 15 | 21 | 42 | 28 | 24 | 8 | 30.5 | 5.75 | M5x12 | 4.3 | 26 | 36 | 510 | 784 | 102 |
| SC13UU | 15 | 22 | 44 | 30 | 24.5 | 8 | 33 | 5.5 | M5x12 | 4.3 | 26 | 39 | 510 | 784 | 120 |
| SC16UU | 19 | 25 | 50 | 38.5 | 32.5 | 9 | 36 | 7 | M5x12 | 4.3 | 34 | 44 | 774 | 1180 | 200 |
| SC20UU | 21 | 27 | 54 | 41 | 35 | 11 | 40 | 7 | M6x12 | 5.2 | 40 | 50 | 882 | 1370 | 255 |
| SC25UU | 26 | 38 | 76 | 51.5 | 42 | 12 | 54 | 11 | M8x18 | 7 | 50 | 67 | 980 | 1570 | 600 |
| SC30UU | 30 | 39 | 78 | 59.5 | 49 | 15 | 58 | 10 | M8x18 | 7 | 58 | 72 | 1574 | 2740 | 735 |
| SC35UU | 34 | 45 | 90 | 68 | 54 | 18 | 70 | 10 | M8x18 | 7 | 60 | 80 | 1670 | 3140 | 1100 |
| SC40UU | 40 | 51 | 102 | 78 | 62 | 20 | 80 | 11 | M10x25 | 8.7 | 60 | 90 | 2160 | 4020 | 1590 |
| SC50UU | 52 | 61 | 122 | 102 | 80 | 25 | 100 | 11 | M10x25 | 8.7 | 80 | 110 | 3820 | 7940 | 3340 |
