
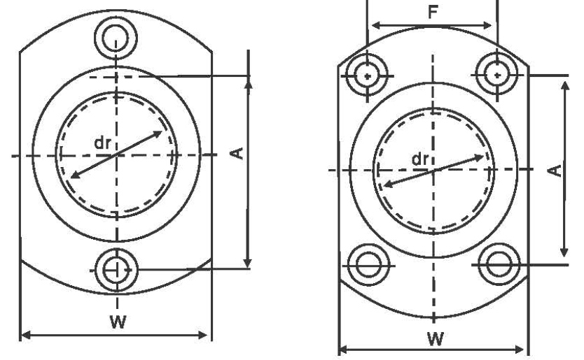
Part Number | Main Dimensions and Tolerance | Eccen -tricity | Basic Load Rating | Weight | |||||||||||||
| Seal Type | Ball Circuit | dr (mm) | Tolerance ( Цm ) | D (mm) | Tolerance ( Цm ) | L ±0.3 (mm) | I (mm) | D1 (mm) | W (mm) | H (mm) | A (mm) | F (mm) | d1xd2xh ( mm ) | Dynamic Co N | Static Co N | ||
| LMHP6LUU | 4 | 6 | 0 -10 | 12 | 0 -13 | 35 | 5 | 28 | 18 | 5 | 20 | - | 3.5X6X3.1 | 15 | 323 | 529 | 28 |
| LMHP8LUU | 4 | 8 | 15 | 45 | 5 | 32 | 21 | 5 | 24 | - | 3.5X6X3.1 | 431 | 784 | 47 | |||
| LMHP10LUU | 4 | 10 | 19 | 0 -16 | 55 | 6 | 40 | 25 | 6 | 29 | - | 4.5X7.5X4.1 | 588 | 1100 | 90 | ||
| LMHP12LUU | 4 | 12 | 21 | 58 | 6 | 42 | 27 | 6 | 32 | - | 4.5X7.5X4.1 | 813 | 1570 | 102 | |||
| LMHP13LUU | 4 | 13 | 23 | 61 | 6 | 43 | 29 | 6 | 33 | - | 4.5X7.5X4.1 | 813 | 1570 | 123 | |||
| LMHP16LUU | 5 | 16 | 0 -12 | 28 | 70 | 6 | 48 | 34 | 6 | 31 | 22 | 4.5X7.5X4.1 | 1230 | 2350 | 182 | ||
| LMHP20LUU | 5 | 20 | 32 | 0 -19 | 80 | 8 | 54 | 38 | 8 | 36 | 24 | 5.5X9X5.1 | 20 | 1400 | 2740 | 247 | |
| LMHP25LUU | 6 | 25 | 40 | 112 | 8 | 62 | 46 | 8 | 40 | 32 | 5.5X9X5.1 | 1560 | 3140 | 525 | |||
| LMHP30LUU | 6 | 30 | 45 | 123 | 10 | 74 | 51 | 10 | 49 | 35 | 6.6X11X6.1 | 2490 | 5490 | 645 | |||
