
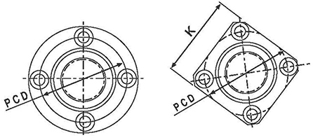
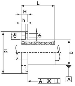
| 型号 | 主要尺寸和公差 | 径向跳动 (max) Цm | 径向间隙 | 额定载荷 | 重量 | ||||||||||||
| 密封型 | 钢球列数 | dr (mm) | 公差 (Цm) | D (mm) | 公差 (Цm) | L ±0.3 (mm) | D1 (mm) | H (mm) | PCD (mm) | K (mm) | 连接孔 (mm) | 动态 Co N | 静态 Co N | ||||
| LMEF8UU | LMEK8UU | 4 | 8 | +8 0 | 16 | 0/-11 | 25 | 32 | 5 | 24 | 25 | 3.5x6x3.1 | 12 | -3 | 265 | 402 | 41 |
| LMEF12UU | LMEK12UU | 4 | 12 | 22 | 0 -13 | 32 | 42 | 6 | 32 | 32 | 4.5x7.5x4.1 | -4 | 510 | 784 | 80 | ||
| LMEF16UU | LMEK16UU | 5 | 16 | +9 -1 | 26 | 36 | 46 | 6 | 36 | 35 | 4.5x7.5x4.1 | 578 | 892 | 103 | |||
| LMEF20UU | LMEK20UU | 5 | 20 | 32 | 0 -16 | 45 | 54 | 8 | 43 | 42 | 5.5x9x5.1 | 15 | -6 | 862 | 1370 | 182 | |
| LMEF25UU | LMEK25UU | 6 | 25 | +11 -1 | 40 | 58 | 62 | 8 | 51 | 50 | 5.5x9x5.1 | 980 | 1570 | 335 | |||
| LMEF30UU | LMEK30UU | 6 | 30 | 47 | 68 | 76 | 10 | 62 | 60 | 6.6x11x6.1 | -8 | 1570 | 2740 | 560 | |||
| LMEF40UU | LMEK40UU | 6 | 40 | +13 -2 | 62 | 0 -19 | 80 | 98 | 13 | 80 | 75 | 9x14x8.1 | 20 | 2160 | 4020 | 1175 | |
| LMEF50UU | LMEK50UU | 6 | 50 | 75 | 100 | 112 | 13 | 94 | 88 | 9x14x8.1 | -13 | 3820 | 7940 | 1745 | |||
| LMEF60UU | LMEK60UU | 6 | 60 | 90 | 0/-22 | 125 | 134 | 18 | 112 | 106 | 11x17x11.1 | 25 | 4700 | 9800 | 3220 | ||
