
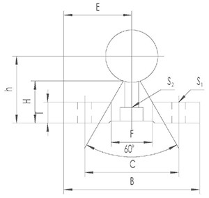
| 型号 | 轴径 | 主要尺寸 | 重量 | ||||||||
| E | h | B | H | T | F | C | S1 | S2 | |||
| TBR-C16 | φ16 | 25 | 22.14 | 50 | 14.96 | 6 | 18.71 | 37 | φ5.5 | 5.5x9.5x5.4 | 1101 |
| TBR-C20 | φ20 | 27.5 | 29.01 | 55 | 19.37 | 8 | 18.96 | 40 | φ5.5 | 5.5x9.5x5.4 | 1800 |
| TBR-C25 | φ25 | 32.5 | 31.97 | 65 | 20.14 | 10 | 20 | 45 | φ6.6 | 6.6x11x6.5 | 2050 |
| TBR-C30 | φ30 | 37.5 | 36.52 | 75 | 22.45 | 12 | 22.96 | 55 | φ6.6 | 6.6x11x6.5 | 2800 |
| 型号 | TBR-C16 | TBR-C20 | TBR-C25 | TBR-C30 |
标准长度 | 190 | 340 | 250 | 450 |
| 340 | 640 | 450 | 850 | |
| 640 | 940 | 850 | 1250 | |
| 940 | 1240 | 1250 | 1450 | |
| N | 20 | 20 | 25 | 25 |
| P | 150 | 150 | 200 | 200 |
| 最大长度 | 6000 | 6000 | 6000 | 6000 |
