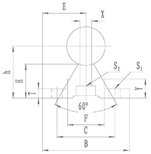
| 型号 | 轴径 | 主要尺寸和安装尺寸 | 重量 | ||||||||||
| E | h | B | H | T | F | X | Y | C | S1 | S2 DxD2xi | |||
| SBR-C10 | φ10 | 16 | 18 | 32 | 13 | 4 | 12.5 | 4.7 | 8.5 | 22 | φ4.5 | 5x9x5 | 540 |
| SBR-C12G | φ12 | 15 | 22.5 | 30 | 17 | 4 | 12 | 4.7 | 12 | 22 | φ4.5 | 5x9x5 | 700 |
| SBR-C12 | φ12 | 16 | 19 | 32 | 13 | 4 | 12.5 | 4.7 | 8.5 | 22 | φ4.5 | 5x9x5 | 700 |
| SBR-C13 | φ13 | 16 | 19.5 | 32 | 13 | 4 | 12.5 | 4.7 | 8.5 | 22 | φ4.5 | 5x9x5 | 720 |
| SBR-C16 | φ16 | 20 | 25 | 40 | 17.8 | 5 | 18.5 | 8 | 11.7 | 30 | φ5.5 | 5.5x9.5x5.4 | 1000 |
| SBR-C20 | φ20 | 22.5 | 27 | 45 | 17.7 | 5 | 19 | 8 | 10 | 30 | φ5.5 | 5.5x9.5x5.4 | 1070 |
| SBR-C25 | φ25 | 27.5 | 33 | 55 | 21 | 6 | 21.5 | 8 | 12 | 35 | φ6.6 | 6.6x11x6.5 | 1500 |
| SBR-C30 | φ30 | 30 | 37 | 60 | 22.8 | 7 | 26.5 | 10.3 | 13 | 40 | φ6.6 | 6.6x11x6.5 | 1900 |
| SBR-C35 | φ35 | 32.5 | 43 | 65 | 26.5 | 8 | 28 | 13 | 15.5 | 45 | φ9 | 9x14x8.6 | 2450 |
| SBR-C40 | φ40 | 37.5 | 48 | 75 | 29.5 | 9 | 38 | 15.5 | 17 | 55 | φ9 | 9x14x8.6 | 3250 |
| SBR-C50 | φ50 | 47.5 | 62 | 95 | 38.8 | 11 | 45 | 20 | 21 | 70 | φ11 | 11x17.5x10.8 | 5260 |
导轨支撑的标准长度和尺寸
| 型号 | SBR-C10 | SBR-C12 | SBR-C13 | SBR-C16 | SBR-C20 | SBR-C25 | SBR-C30 | SBR-C35 | SBR-C40 | SBR-C50 |
标准长度 | 140 | 140 | 140 | 190 | 340 | 250 | 450 | 460 | 460 | 470 |
| 240 | 240 | 240 | 340 | 640 | 450 | 850 | 660 | 660 | 670 | |
| - | - | - | - | - | - | - | - | 860 | 870 | |
| 340 | 340 | 340 | 640 | 940 | 850 | 1250 | 860 | 1060 | 1070 | |
| 440 | 440 | 440 | 940 | 1240 | 1250 | 1450 | 1060 | 1260 | 1270 | |
| N | 20 | 20 | 20 | 20 | 25 | 25 | 25 | 30 | 30 | 35 |
| P | 100 | 100 | 100 | 150 | 150 | 200 | 200 | 200 | 200 | 200 |
| 最大长度 | 5000 | 5000 | 5000 | 6000 | 6000 | 6000 | 6000 | 6000 | 6000 | 6000 |
