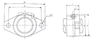
| 型号 | 轴径 | 主要尺寸和安装尺寸 | 锁紧螺栓 | 安转螺栓 | 重量 | ||||||
| W | L | T | B | G | F | S | |||||
| SHF-8 | 8 | 43 | 10 | 10 | 32 | 20 | 24 | 5.5 | M4 | M5 | 13 |
| SHF-10 | 10 | 43 | 10 | 10 | 32 | 20 | 24 | 5.5 | M4 | M5 | 13 |
SHF-12 | 12 | 47 | 13 | 5 | 36 | 25 | 28 | 5.5 | M4 | M5 | 20 |
| SHF-13 | 13 | 47 | 13 | 5 | 36 | 25 | 28 | 5.5 | M4 | M5 | 20 |
| SHF-16 | 16 | 50 | 16 | 6 | 40 | 28 | 31 | 5.5 | M4 | M5 | 27 |
| SHF-20 | 20 | 60 | 20 | 8 | 48 | 34 | 37 | 7 | M5 | M6 | 40 |
| SHF-25 | 25 | 70 | 25 | 10 | 56 | 40 | 42 | 7 | M6 | M6 | 60 |
| SHF-30 | 30 | 80 | 30 | 12 | 64 | 46 | 50 | 9 | M6 | M8 | 110 |
| SHF-35 | 35 | 92 | 35 | 14 | 72 | 50 | 58 | 12 | M8 | M10 | 380 |
| SHF-40 | 40 | 105 | 40 | 16 | 80 | 56 | 67 | 12 | M10 | M10 | 510 |
| SHF-50 | 50 | 122 | 50 | 19 | 96 | 70 | 83 | 14 | M12 | M12 | 890 |
