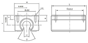
| 型号 | 轴径 | 主要尺寸和安装尺寸 | 额定载荷 | 重量 | ||||||||||||
| h | E | W | L | F | T | h1 | θ | B | C | S | e | 动 CoN | 静态 Co N | |||
| SBR10LUU | 10 | 15 | 18 | 36 | 68 | 24 | 7 | 6 | 80° | 25 | 46 | M5 | 10 | 38 | 56 | 130 |
| SBR12LUU | 12 | 17 | 20 | 40 | 75 | 27.6 | 8 | 8.5 | 80° | 28 | 50 | M5 | 10 | 42 | 61 | 200 |
SBR16LUU | 16 | 20 | 22.5 | 45 | 85 | 33 | 9 | 10 | 80° | 32 | 60 | M5 | 12 | 52 | 80 | 300 |
| SBR20LUU | 20 | 23 | 24 | 48 | 96 | 39 | 11 | 10 | 60° | 35 | 70 | M6 | 12 | 59 | 91 | 400 |
| SBR25LUU | 25 | 27 | 30 | 60 | 130 | 47 | 14 | 11.5 | 50° | 40 | 100 | M6 | 12 | 88 | 140 | 900 |
| SBR30LUU | 30 | 33 | 35 | 70 | 140 | 56 | 15 | 14 | 50° | 50 | 110 | M8 | 18 | 100 | 160 | 1260 |
| SBR35LUU | 35 | 37 | 40 | 80 | 160 | 63 | 18 | 16 | 50° | 55 | 120 | M8 | 18 | 160 | 280 | 1800 |
| SBR40LUU | 40 | 42 | 45 | 90 | 175 | 72 | 20 | 19 | 50° | 65 | 140 | M10 | 20 | 170 | 320 | 2660 |
| SBR50LUU | 50 | 53 | 60 | 120 | 215 | 92 | 25 | 23 | 50° | 94 | 160 | M10 | 20 | 220 | 410 | 6000 |
