
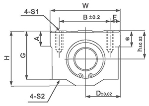
| 型号 | 主要尺寸和安装尺寸 | 额定载荷 | 重量 | ||||||||||||
| h | D | W | H | G | A | B | E | S1xe | S2 | C | L | 动态 Co N | 静态 Co N | ||
| SC8VUU | 11 | 17 | 34 | 22 | 18 | 6 | 24 | 5 | M4X8 | 3.4 | 7.7 | 15.4 | 274 | 392 | 27 |
| SC10VUU | 13 | 20 | 40 | 26 | 21 | 8 | 28 | 6 | M5X12 | 4.3 | 9.95 | 19.9 | 372 | 549 | 53 |
| SC12VUU | 15 | 21 | 42 | 28 | 24 | 8 | 30.5 | 5.75 | M5X12 | 4.3 | 10.45 | 20.9 | 510 | 784 | 60 |
| SC13VUU | 15 | 22 | 44 | 30 | 24.5 | 8 | 33 | 5.5 | M5X12 | 4.3 | 10.45 | 20.9 | 510 | 784 | 64 |
| SC16VUU | 19 | 25 | 50 | 38.5 | 32.5 | 9 | 36 | 7 | M5X12 | 4.3 | 12 | 24 | 774 | 1180 | 110 |
| SC20VUU | 21 | 27 | 54 | 41 | 35 | 11 | 40 | 7 | M6X12 | 5.2 | 14 | 28 | 882 | 1370 | 144 |
| SC25VUU | 26 | 38 | 76 | 51.5 | 42 | 12 | 54 | 11 | M8X18 | 7 | 18.9 | 37.8 | 980 | 1570 | 340 |
| SC30VUU | 30 | 39 | 78 | 59.5 | 49 | 15 | 58 | 10 | M8X18 | 7 | 20.65 | 41.3 | 1574 | 2740 | 424 |
| SC35VUU | 34 | 45 | 90 | 68 | 54 | 18 | 70 | 10 | M8X18 | 7 | 22.65 | 45.3 | 1670 | 3140 | 626 |
| SC40VUU | 40 | 51 | 102 | 78 | 62 | 20 | 80 | 11 | M10X25 | 8.7 | 28.15 | 56.3 | 2160 | 4020 | 1000 |
| SC50VUU | 52 | 61 | 122 | 102 | 80 | 25 | 100 | 11 | M10X25 | 8.7 | 34.4 | 68.8 | 3820 | 7940 | 2100 |
