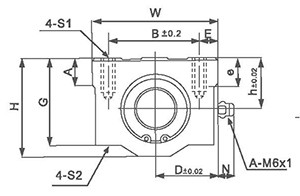
| 型号 | 主要尺寸和安装尺寸 | 额定载荷 | 重量 | |||||||||||||
| h | D | W | H | G | N | A | B | E | S1xe | S2 | C | L | 动 | 静 | ||
| SC8LUU | 11 | 17 | 34 | 22 | 18 | 7 | 6 | 24 | 5 | M4x8 | 3.4 | 42 | 58 | 431 | 784 | 102 |
| SC10LUU | 13 | 20 | 40 | 26 | 21 | 7 | 8 | 28 | 6 | M5x12 | 4.3 | 46 | 68 | 588 | 1100 | 180 |
| SC12LUU | 15 | 21 | 42 | 28 | 24 | 6.5 | 8 | 30.5 | 5.75 | M5x12 | 4.3 | 50 | 70 | 813 | 1570 | 250 |
| SC13LUU | 15 | 22 | 44 | 30 | 24.5 | 6.5 | 8 | 33 | 5.5 | M5x12 | 4.3 | 50 | 75 | 813 | 1570 | 240 |
| SC16LUU | 19 | 25 | 50 | 38.5 | 32.5 | 6 | 9 | 36 | 7 | M5x12 | 4.3 | 60 | 85 | 1230 | 2350 | 400 |
| SC20LUU | 21 | 27 | 54 | 41 | 35 | 7 | 11 | 40 | 7 | M6x12 | 5.2 | 70 | 96 | 1410 | 2740 | 570 |
| SC25LUU | 26 | 38 | 76 | 51.5 | 42 | 4 | 12 | 54 | 11 | M8x18 | 7 | 100 | 130 | 1610 | 3140 | 1200 |
| SC30LUU | 30 | 39 | 78 | 59.5 | 49 | 5 | 15 | 58 | 10 | M8x18 | 7 | 110 | 140 | 2450 | 5490 | 1480 |
| SC35LUU | 34 | 45 | 90 | 68 | 54 | 5.5 | 18 | 70 | 10 | M8x18 | 7 | 120 | 155 | 2650 | 6270 | 2200 |
| SC40LUU | 40 | 51 | 102 | 78 | 62 | 5 | 20 | 80 | 11 | M10x25 | 8.7 | 140 | 175 | 3430 | 8040 | 3200 |
| SC50LUU | 52 | 61 | 112 | 102 | 80 | 5 | 25 | 100 | 11 | M10x25 | 8.7 | 160 | 215 | 6080 | 15900 | 6700 |
