
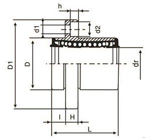
| 型号 | 主要尺寸和公差 | 径向跳动 | 额定载荷 | 重量 | ||||||||||||
| 密封型 | 钢球列数 | dr (mm) | 公差 ( Ц m ) | D (mm) | 公差 ( Ц m ) | L ±0.3 (MM) | I (mm) | D1 (mm) | K (mm) | H (mm) | PCD (mm) | 连接孔 (mm) | 动态 Co N | 静态 Co N | ||
| LMFP6UU | 4 | 6 | 0 -9 | 12 | 0 -13 | 19 | 5 | 28 | 22 | 5 | 20 | 3.5X6X3.1 | 12 | 206 | 265 | 24 |
| LMKP6UU | 4 | 6 | 12 | 19 | 5 | 28 | 22 | 5 | 20 | 3.5X6X3.1 | 206 | 265 | 24 | |||
| LMFP8UU | 4 | 8 | 15 | 24 | 5 | 32 | 25 | 5 | 24 | 3.5X6X3.1 | 274 | 392 | 37 | |||
| LMKP8UU | 4 | 8 | 15 | 24 | 5 | 32 | 25 | 5 | 24 | 3.5X6X3.1 | 274 | 392 | 37 | |||
| LMFP10UU | 4 | 10 | 19 | 0 -16 | 29 | 6 | 40 | 30 | 6 | 29 | 4.5X7.5X4.1 | 372 | 549 | 72 | ||
| LMKP10UU | 4 | 10 | 19 | 29 | 6 | 40 | 30 | 6 | 29 | 4.5X7.5X4.1 | 372 | 549 | 72 | |||
| LMFP12UU | 4 | 12 | 21 | 30 | 6 | 42 | 32 | 6 | 32 | 4.5X7.5X4.1 | 510 | 784 | 76 | |||
| LMKP12UU | 4 | 12 | 21 | 30 | 6 | 42 | 32 | 6 | 32 | 4.5X7.5X4.1 | 510 | 784 | 76 | |||
| LMFP13UU | 4 | 13 | 23 | 32 | 6 | 43 | 34 | 6 | 33 | 4.5X7.5X4.1 | 510 | 784 | 76 | |||
| LMKP13UU | 4 | 13 | 23 | 32 | 6 | 43 | 34 | 6 | 33 | 4.5X7.5X4.1 | 510 | 784 | 76 | |||
| LMFP16UU | 5 | 16 | 28 | 37 | 6 | 48 | 37 | 6 | 38 | 4.5X7.5X4.1 | 774 | 1180 | 120 | |||
| LMKP16UU | 5 | 16 | 28 | 37 | 6 | 48 | 37 | 6 | 38 | 4.5X7.5X4.1 | 774 | 1180 | 120 | |||
| LMFP20UU | 5 | 20 | 0 -10 | 32 | 0 -19 | 42 | 8 | 54 | 42 | 8 | 43 | 5.5x9x5.1 | 15 | 882 | 1370 | 180 |
| LMKP20UU | 5 | 20 | 32 | 42 | 8 | 54 | 42 | 8 | 43 | 5.5x9x5.1 | 882 | 1370 | 180 | |||
| LMFP25UU | 6 | 25 | 40 | 59 | 8 | 62 | 50 | 8 | 51 | 5.5x9x5.1 | 980 | 1570 | 340 | |||
| LMKP25UU | 6 | 25 | 40 | 59 | 8 | 62 | 50 | 8 | 51 | 5.5x9x5.1 | 980 | 1570 | 340 | |||
| LMFP30UU | 6 | 30 | 45 | 64 | 10 | 74 | 58 | 10 | 60 | 6.6x11x6.1 | 1570 | 2740 | 470 | |||
| LMKP30UU | 6 | 30 | 45 | 64 | 10 | 74 | 58 | 10 | 60 | 6.6x11x6.1 | 20 | 1570 | 2740 | 470 | ||
| LMFP35UU | 6 | 35 | 52 | 0 -22 | 70 | 10 | 82 | 64 | 10 | 67 | 6.6x11x6.1 | 1670 | 3140 | 650 | ||
| LMKP35UU | 6 | 35 | 52 | 70 | 10 | 82 | 64 | 10 | 67 | 6.6x11x6.1 | 1670 | 3140 | 650 | |||
| LMFP40UU | 6 | 40 | 0 -12 | 60 | 80 | 13 | 96 | 75 | 13 | 78 | 9x14x8.1 | 2160 | 4020 | 1060 | ||
| LMKP40UU | 6 | 40 | 60 | 80 | 13 | 96 | 75 | 13 | 78 | 9x14x8.1 | 2160 | 4020 | 1060 | |||
| LMFP50UU | 6 | 50 | 80 | 100 | 13 | 116 | 92 | 18 | 98 | 9x14x8.1 | 3820 | 7940 | 2200 | |||
| LMKP50UU | 6 | 50 | 80 | 100 | 13 | 116 | 92 | 18 | 98 | 9x14x8.1 | 25 | 3820 | 7940 | 2200 | ||
| LMFP60UU | 6 | 60 | 0 -15 | 90 | 0 -25 | 110 | 18 | 134 | 106 | 18 | 112 | 11x17x11.1 | 4700 | 10000 | 3000 | |
| LMKP60UU | 6 | 60 | 90 | 110 | 18 | 134 | 106 | 18 | 112 | 11x17x11.1 | 4700 | 10000 | 3000 | |||
